130C系列伺服电机
| 电机型号 | 130ST -M04 025 |
130ST -M05 025 |
130ST -M06 025 |
130ST -M07 725 |
130ST -M10 010 |
130ST -M10 025 |
130ST -M15 015 |
130ST -M15 015 |
130ST -M1 5025 | ||||||||||||||||||||
|
额定功率(W) |
1.0 |
1.3 |
1.5 |
2.0 |
1.0 |
1.5 |
2.6 |
2.3 |
3.8 | ||||||||||||||||||||
|
额定线电压 (V) |
220 |
220 |
220 |
220 |
220 |
220 |
220 |
220 |
220 | ||||||||||||||||||||
|
额定线电流 (A) |
4.0 |
5.0 |
6.0 |
7.5 |
4.5 |
6.0 |
10 |
9.5 |
13.5 | ||||||||||||||||||||
|
额定转速 (rpm) |
2500 |
2500 |
2500 |
2500 |
1000 |
1500 |
2500 |
1500 |
2500 | ||||||||||||||||||||
|
额定力矩 (N.m) |
4 |
5.0 |
6 |
7.7 |
10 |
10 |
10 |
15 |
15 | ||||||||||||||||||||
|
峰值力矩 (N.m) |
12 |
15 |
18 |
22 |
20 |
25 |
25 |
30 |
30 | ||||||||||||||||||||
|
反电势 (V/1000r/min) |
72 |
68 |
65 |
68 |
140 |
103 |
70 |
114 |
67 | ||||||||||||||||||||
|
力矩系数(N.m/A) |
1.0 |
1.0 |
1.0 |
1.03 |
2.2 |
1.67 |
1.0 |
1.58 |
1.11 | ||||||||||||||||||||
|
转子惯量 (Kg.㎡) |
0.85x |
1.06x |
1.26x |
1.53x |
1.94x |
1.94x |
1.94 x |
2.77x |
2.77x | ||||||||||||||||||||
|
绕组(线间)电阻 (Ω) |
2.76 |
1.84 |
1.21 |
1.01 |
2.7 |
1.5 |
0.73 |
1.1 |
0.49 | ||||||||||||||||||||
|
绕组(线间电感 (mH) |
6.42 |
4.9 |
3.87 |
2.94 |
8.8 |
4.37 |
2.45 |
4.45 |
1.68 | ||||||||||||||||||||
|
电气时间常数 (Ms) |
2.32 |
2.66 |
3.26 |
3.80 |
3.26 |
2.91 |
3.36 |
4.05 |
3.43 | ||||||||||||||||||||
| 重量 (Kg) |
6.2 |
6.6 |
7.4 |
8.3 |
10.2 |
10.2 |
9.8 |
12.6 |
11.7 | ||||||||||||||||||||
|
编码器线数(PPR) |
2500 | ||||||||||||||||||||||||||||
|
电机绝缘等级 |
Class F | ||||||||||||||||||||||||||||
|
防护等级 |
IP65 | ||||||||||||||||||||||||||||
|
使用环境 |
环境溫度:-2 0°C~+40 °C 环境湿度:相对湿度〈90%(不结霜条件) | ||||||||||||||||||||||||||||
|
电机绕组插座 |
信号引线 |
U(红) | V (黄) | W (蓝) | PE (黄绿/黑) | |||||||||||
|
插座编号 |
1 | 2 | 3 | 4 | ||||||||||||
|
光电脉冲编码器插座(15芯) |
信号引线 |
5V |
OV |
B+ |
2- |
U+ |
2+ |
U- |
A+ |
V+ |
W+ |
V- |
A- |
B- |
W- |
PE |
|
插座编号 |
2 |
3 |
4 |
5 |
6 |
7 |
8 |
9 |
10 |
11 |
12 |
13 |
14 |
15 |
1 | |
|
^值编码插座(7芯) |
信号引线 |
E- | E+ | SD- | OV | SD+ | +5V | PE | ||||||||
|
插座编号 |
2 | 3 | 4 | 5 | 6 | 7 | 1 | |||||||||
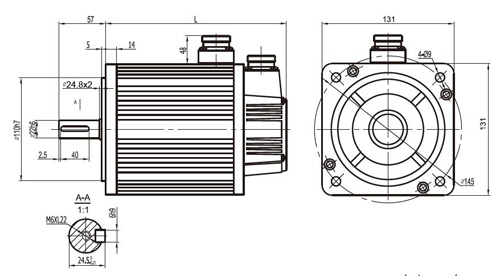
安装注意
1、安装/拆卸部位到电机轴末端时.请不要用力敲打轴,以防止敲坏轴另一端的编码器,
2、尽呈防止轴座振动,以防止轴承的损坏。
安装尺寸
|
|
130系列 | ||||||||
| 额定转矩 |
4 |
5 |
6 |
7.7 |
10 |
15 | |||
|
1000rpm |
1500rpm |
2500rpm |
1500rpm |
2500rpm | |||||
|
L不带抱闸 |
166 |
171 |
179 |
192 |
213 |
209 |
241 |
231 | |
|
L带永磁抱阐 |
236 |
241 |
249 |
262 |
283 |
279 |
311 |
301 | |
| L带电磁抱阐 |
223 |
228 |
236 |
249 |
294 |
290 |
322 |
312 | |

|
|
|
江阴富茂电机技术有限公司
公司地址:无锡市江阴市璜土镇石庄工业园区中村路1号
联系人:徐工
手 机:13961256544
手 机:18921099902
电 话:0510-86656969
传 真:0510-86656551
网 址:www.fromot-elec.com
E-mail:fe@fromot-elec.com