80系列伺服电机
| 电机型号 | 80ST-M01330 | 80ST-M02430 | 80ST-M03520 | 80ST-M04025 | ||||||||
|
额定功率(W) |
0.4 |
0.75 |
0.73 |
1.0 | ||||||||
|
额定线电压 (V) |
220 |
220 |
220 |
220 | ||||||||
|
额定线电流 (A) |
2 |
3 |
3 |
4.4 | ||||||||
|
额定转速 (rpm) |
3000 |
3000 |
2000 |
2500 | ||||||||
|
额定力矩(N.m) |
1.27 |
2.39 |
3.5 |
4 | ||||||||
|
峰值力矩(N.m) |
3.8 |
7.1 |
10.5 |
12 | ||||||||
|
峰值电流 (A) |
6 |
9 |
9 |
13.2 | ||||||||
|
反电势(V/1000r/min) |
40 |
48 |
71 |
56 | ||||||||
|
力矩系数(N.rYVA) |
0.64 |
0.8 |
1.17 |
0.9 | ||||||||
|
转子惯量(Kg.㎡) |
1.05x10-4 |
1.82x10-4 |
2.63x10-4 |
2.97x10-4 | ||||||||
|
绕组(线间电阻 Li) |
4.44 |
2.88 |
3.65 |
1.83 | ||||||||
|
绕组(线间电感 LmH) |
7.93 |
6.4 |
8.8 |
4.72 | ||||||||
|
电气时间常数 (Ms) |
1.66 |
2.22 |
2.4 |
2.58 | ||||||||
| 重量 (Kg) |
1.78 |
2.9 |
3.9 |
4.1 | ||||||||
|
编码器线数(PPR) |
2500 | |||||||||||
|
电机绝缘等级 |
Class F | |||||||||||
| 防护等级 | IP65 | |||||||||||
|
使用环境 |
环境溫度:-2 0°C~+40 °C 环境湿度:相对湿度〈90%(不结霜条件) | |||||||||||
|
电机绕组插座 |
信号引线 |
U(红) | V (黄) | W (蓝) | PE (黄绿/黑) | |||||||||||
|
插座编号 |
1 | 2 | 3 | 4 | ||||||||||||
|
光电脉冲编码器插座(15芯) |
信号引线 |
5V |
OV |
B+ |
2- |
U+ |
2+ |
U- |
A+ |
V+ |
W+ |
V- |
A- |
B- |
W- |
PE |
|
插座编号 |
2 |
3 |
4 |
5 |
6 |
7 |
8 |
9 |
10 |
11 |
12 |
13 |
14 |
15 |
1 | |
|
^值编码插座(7芯) |
信号引线 |
E- | E+ | SD- | OV | SD+ | +5V | PE | ||||||||
|
插座编号 |
2 | 3 | 4 | 5 | 6 | 7 | 1 | |||||||||
安装注意
1、安装/拆卸部位到电机轴末端时.请不要用力敲打轴,以防止敲坏轴另一端的编码器,
2、尽呈防止轴座振动,以防止轴承的损坏。
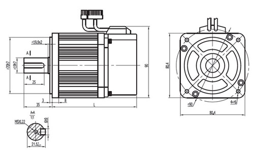
安装尺寸
|
型号 |
L不带抱闸 |
L带永磁抱闸 |
L带电磁抱闸 |
|
80ST-M01330 |
124 |
178 |
164 |
|
80ST-M02430 |
151 |
205 |
191 |
|
80ST-M03520 |
179 |
233 |
219 |
|
80ST-M04025 |
191 |
245 |
231 |

|
|
|
江阴富茂电机技术有限公司
公司地址:无锡市江阴市璜土镇石庄工业园区中村路1号
联系人:徐工
手 机:13961256544
手 机:18921099902
电 话:0510-86656969
传 真:0510-86656551
网 址:www.fromot-elec.com
E-mail:fe@fromot-elec.com