90系列伺服电机
90系列伺服电机参数表
其它要求请联系我们的技术部
安装注意
1、安装/拆卸部位到电机轴末端时.请不要用力敲打轴,以防止敲坏轴另一端的编码器,
2、尽呈防止轴座振动,以防止轴承的损坏。
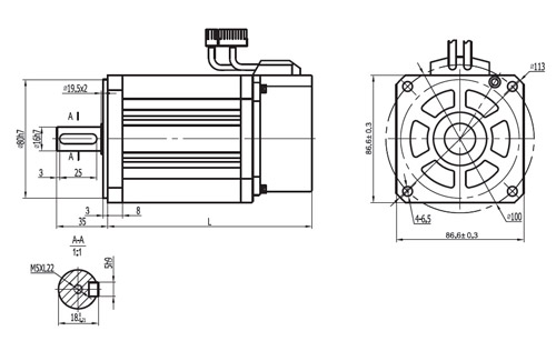
安装尺寸
|
电机型号 |
90ST-M02430 |
90ST-M03520 |
90ST-M04025 | ||||||
|
额定功率 (W) |
0.75 |
0.73 |
1.0 | ||||||
|
额定线电压 (V) |
220 |
220 |
220 | ||||||
|
额定线电流 (A) |
3 |
3 |
4 | ||||||
|
额定转速 (rpm) |
3000 |
2000 |
2500 | ||||||
|
额定力矩(N.m) |
2.4 |
3.5 |
4 | ||||||
|
峰值力矩(N.m) |
7.1 |
10.5 |
12 | ||||||
| 峰值电流 (A) | 9 | 9 | 12 | ||||||
|
反电势(V/1000r/min) |
51 |
67 |
60 | ||||||
|
力矩系数(N.rYVA) |
0.8 |
1.2 |
1.0 | ||||||
|
转子惯量(Kg.㎡) |
2.45x10-4 |
3.4x10-4 |
3.7x10-4 | ||||||
|
绕组(线间)电阻(Ω) |
3.2 |
4.06 |
2.69 | ||||||
|
绕组(线间电感(mH) |
7.0 |
9.7 |
6.21 | ||||||
|
电气时间常数 (Ms) |
2.2 |
2.39 |
2.3 | ||||||
| 重量 (Kg) |
3.1 |
3.9 |
4.2 | ||||||
|
编码器线数(PPR) |
2500 | ||||||||
|
电机绝缘等级 |
Class F | ||||||||
|
防护等级 |
IP65 | ||||||||
|
使用环境 |
环境溫度:-2 0°C~+40 °C 环境湿度:相对湿度〈90%(不结霜条件) | ||||||||
|
电机绕组插座 |
信号引线 |
U(红) | V (黄) | W (蓝) | PE (黄绿/黑) | |||||||||||
|
插座编号 |
1 | 2 | 3 | 4 | ||||||||||||
|
光电脉冲编码器插座(15芯) |
信号引线 |
5V |
OV |
B+ |
2- |
U+ |
2+ |
U- |
A+ |
V+ |
W+ |
V- |
A- |
B- |
W- |
PE |
|
插座编号 |
2 |
3 |
4 |
5 |
6 |
7 |
8 |
9 |
10 |
11 |
12 |
13 |
14 |
15 |
1 | |
|
^值编码插座(7芯) |
信号引线 |
E- | E+ | SD- | OV | SD+ | +5V | PE | ||||||||
|
插座编号 |
2 | 3 | 4 | 5 | 6 | 7 | 1 | |||||||||
安装注意
1、安装/拆卸部位到电机轴末端时.请不要用力敲打轴,以防止敲坏轴另一端的编码器,
2、尽呈防止轴座振动,以防止轴承的损坏。
安装尺寸
|
型号 |
L不带抱闸 |
L带永磁抱闸 |
L带电磁抱闸 |
|
90ST-M02430 |
150 |
207 |
198 |
|
90ST-M03520 |
172 |
229 |
220 |
|
90ST-M04025 |
182 |
239 |
230 |

|
|
|
江阴富茂电机技术有限公司
公司地址:无锡市江阴市璜土镇石庄工业园区中村路1号
联系人:徐工
手 机:13961256544
手 机:18921099902
电 话:0510-86656969
传 真:0510-86656551
网 址:www.fromot-elec.com
E-mail:fe@fromot-elec.com